
服務熱線0519-69655086
DYT係列電液推杆是一種集(jí)機(jī)、電、液為一體的(de)液壓驅動機械(xiè)手,適用於需要往複推拉直線 (或往複旋轉一定角度)運動,也可用於需要上升、下降或(huò)夾緊工作物的場所,並可實現遠距離 危(wēi)險地區的集中或自動控製(zhì)。已廣泛應用於冶(yě)金、礦山、電力、煤(méi)炭、機械、交通、糧食(shí)、化(huà)工、 水泥、水利建材、運輸(shū)等部門,是一種通(tōng)用的動力源。
電液推杆(gǎn)工作(zuò)原理與結構性能
1、工作原理:
電液推杆是一種機、電、液一體化的新型柔性傳動機構,它以執行機構(油缸)、控製機構 (液壓控製閥組)和動力源(油(yóu)泵電機等到)組成。根據現場安裝空間及用戶使用情(qíng)況,電液推(tuī) 杆可有多種結(jié)構(gòu)形式(具體見電液推杆外形尺寸圖(tú),也可根據用戶要求定製樣式)。電動機通過 正反轉驅動雙(shuāng)向液壓泵正反(fǎn)輸出壓力油,經液壓控製閥送至油(yóu)缸,實現活(huó)塞杆的往複(fù)運動。
2、結構性能:
液壓控製閥組主要由溢流閥,吸(xī)油單向閥,調速閥(用(yòng)戶(hù)要求),液控單向閥(液壓鎖(suǒ))等 組成,也可根據電液推杆的工作特性,設計(jì)不同功能的油路組合(hé)閥,滿(mǎn)足其工作要求。自鎖形 式一般有推出(chū)自鎖,拉回自鎖和推拉(lā)均自鎖(suǒ);運行速度有可調速型,不可調速(sù)型;工作角(jiǎo)度有 水平推(tuī),向上推(包括斜向上),向下推(包括(kuò)斜向下)等幾種。
電液(yè)推杆主(zhǔ)要有以下(xià)優點:
(1)結(jié)構(gòu)緊湊、安裝方便、占據空間小(xiǎo)、維護簡單。
(2)可帶負荷(hé)起動,具有過(guò)載保護功能。
(3)回路設雙向液壓(yā)鎖,可停在(zài)規定(dìng)行程範圍內的任意位(wèi)置(zhì)並自鎖,且保持(chí)輸出力不變。
(4)推拉力,速(sù)度(用戶要求)無級可調,驅動力範圍極廣。
(5)因故斷電(diàn),推(tuī)杆(gǎn)自鎖,避免發生(shēng)事故。
(6)采用全液壓傳動,動作靈敏,運行平穩,能有效(xiào)緩衝外來衝擊力,行程控製精確(≥0.5mm)。
(7)機電(diàn)液一體(tǐ)化(huà)全封閉結構,工作油路(lù)循環於無壓的封閉鋼(gāng)筒裏,體積小,不滲油,在惡
劣的工作環境下,不吸塵,不進水,內部不鏽蝕,使用壽命長(zhǎng)。
型號表示方法:
以下舉“DYTZB1000-500/110-X型電液推杆”為便,分別說明如何選型和型號編製(zhì)的方式。
1、如何選(xuǎn)型:
某一場所需要一台整體直式的電液推杆,要求電機防爆,其最大推力為1KN,行程500mm, 最大速度110mm/s,使(shǐ)用角度向下推,那麽所選電液推杆(gǎn)的標準型號為:DYTZB1000-500/110-X
(B為防爆標記,X表示(shì)向下推)
2、型號編製的方(fāng)法:
選型說明
電液推杆主要是由推杆的型式、電機的防護等級、額定輸出力、行(háng)程、額定速度和使用角 度等六大基本要素組成,還可(kě)根據用戶等級要求,配套三種調節功能,即:速度調節,推、拉 力(lì)調節,行程調節(jiē)(行程開關定位)。除了上述三種調節功能訂貨時必須文字注明外,其(qí)它請參 照(zhào)型號編製方式認真填寫六大基本要素。

DYTZ型整體(tǐ)直式電液推杆

DYTZ型整體直(zhí)式電液推(tuī)杆外(wài)形技術參數(選(xuǎn)型表)

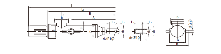
DYTZ型整體直式電液推杆外形尺寸及安裝尺寸

聯係電話
微(wēi)信掃一掃